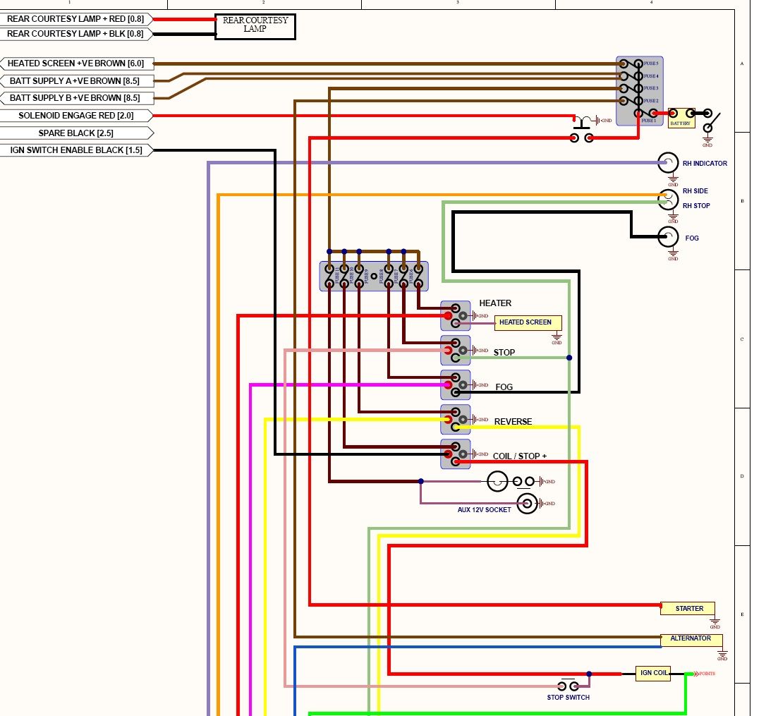
And the interior, we seen the wood finishes done earlier but the card/millboard based interior panelling was remade from scratch using the old sections steam ironed flat to use as templates, holes punched, folded and made same as factory
For the MK 1 interior shelves Bob Allan at the Imp Club Spares department has these flat packed and ready to ship
https://www.theimpclub.co.uk/imp-club-spares-lists/
Bobs service is fantastic however bear in mind the Imp Club Spares services are open to members only, you require to be a club member to use the service.






For the MK 1 interior shelves Bob Allan at the Imp Club Spares department has these flat packed and ready to ship
https://www.theimpclub.co.uk/imp-club-spares-lists/
Bobs service is fantastic however bear in mind the Imp Club Spares services are open to members only, you require to be a club member to use the service.

Comment