OK, i have the solution for my singer on front bonnet lectric release "up cycling" the door actuators from an old central locking kit but Daves lock is a front access one.
Get some pictures up Dave and we will see if we can figure out something, plenty folks can get their creative heads on
My idea was just to add a quadrant
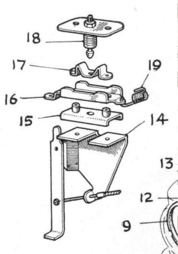
In caae folks are wondering this is the type of lock as standard

Daves post on the storage pockets shows the space available.
So standard is easy, the actuator just yanks the lever.
Dave will need to post the drawing for the coupe lock as my manual mentions it but does not show it
Get some pictures up Dave and we will see if we can figure out something, plenty folks can get their creative heads on

My idea was just to add a quadrant
In caae folks are wondering this is the type of lock as standard
Daves post on the storage pockets shows the space available.
So standard is easy, the actuator just yanks the lever.
Dave will need to post the drawing for the coupe lock as my manual mentions it but does not show it